U svijetu jednostavnih, ali iznimno korisnih tehničkih rješenja, navojne šipke često zauzimaju posebno mjesto zbog svoje prilagodljivosti i široke primjene. Već na početku svakog projekta, bilo da se radi o manjoj kućnoj konstrukciji ili ozbiljnijem zahvatu, važno je razumjeti osnovne komponente, a upravo tu dolazi do izražaja i din 125 (https://www.vijci.net/podloska-din-125-zn) kao ključni dodatak koji osigurava stabilnost spojeva. Tvrtka Vijci.net nudi raznovrsna rješenja koja mogu poslužiti kao kvalitetna osnova za ovakve projekte, posebno za one koji žele sami izraditi funkcionalne elemente u svom prostoru. Oni nude širok izbor kvalitetnih spojnih elemenata koji su pogodni za različite vrste tehničkih i kućnih projekata.
Osnovna funkcija i primjena u kućnim projektima
Navojne šipke predstavljaju jednostavne metalne elemente s kontinuiranim navojem duž cijele dužine, što omogućuje njihovu upotrebu u različitim konstrukcijama. Njihova najveća prednost leži u mogućnosti prilagodbe duljine rezanjem, čime se mogu koristiti u raznim situacijama, od montaže polica do izrade konstrukcija za namještaj. Upravo zbog te fleksibilnosti često su prvi izbor kod kućnih majstora.
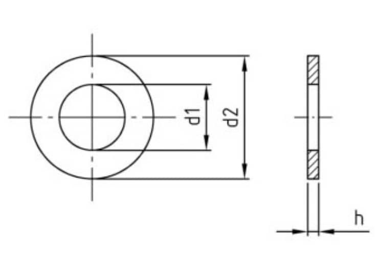
U praksi, din 125 služi kao podloška koja ravnomjerno raspoređuje pritisak između matice i površine materijala. Time se sprječava oštećenje materijala i povećava stabilnost cijelog spoja. Kada se koristi u kombinaciji s odgovarajućim elementima, omogućuje dugotrajnu i sigurnu vezu.
U projektima poput visećih polica ili jednostavnih konstrukcija za radne stolove, možemo koristiti navojne šipke.Njihova primjena nije ograničena samo na industriju, već su sve češće dio kreativnih DIY rješenja. Zahvaljujući dostupnosti različitih promjera, lako se mogu prilagoditi konkretnim potrebama. Din 125 često se koristi u situacijama gdje je potrebno zaštititi površinu materijala od deformacija. Njegova jednostavna forma skriva važnu funkciju koja značajno utječe na kvalitetu spoja. Bez ovakvog elementa, dugotrajnost konstrukcije može biti narušena.
Različite vrste i materijali
Šipke s navojem su dostupne u različitim materijalima, uključujući pocinčani čelik, nehrđajući čelik i druge legure koje osiguravaju otpornost na koroziju. Odabir materijala ovisi o uvjetima u kojima će se koristiti, posebno ako se radi o vanjskim instalacijama ili prostorima s povećanom vlagom. Upravo zbog toga važno je unaprijed planirati i odabrati odgovarajuću varijantu.
Ovisno o zahtjevima projekta, din 125 se izrađuje od različitih materijala. Najčešće se koristi čelik, ali postoje i verzije koje nude dodatnu otpornost na vanjske utjecaje. Njegova standardizirana dimenzija omogućuje jednostavnu kombinaciju s drugim elementima bez potrebe za dodatnim prilagodbama. Imaju različite promjere i duljine, što navojne šipke čini izuzetno prilagodljivima. U kućnim projektima često se koriste za izradu regala ili nosača, gdje je potrebna stabilnost i jednostavna montaža. Njihova svestranost omogućuje širok spektar primjena. Din 125 dolazi u standardiziranim dimenzijama koje odgovaraju različitim vrstama vijčanih spojeva. Time se osigurava kompatibilnost i jednostavnost korištenja, što je posebno važno za korisnike koji nemaju veliko tehničko iskustvo.
Kako odabrati odgovarajuće elemente
Navojne šipke treba birati prema opterećenju koje će nositi, kao i prema uvjetima u kojima će se koristiti. Važno je obratiti pažnju na promjer i kvalitetu materijala kako bi se osigurala dugotrajnost konstrukcije. Pravilnim izborom može se izbjeći niz potencijalnih problema tijekom korištenja.Kako bi se osigurala pravilna raspodjela sile, din 125 treba odabrati u skladu s dimenzijama ostalih elemenata. Njegova uloga je ključna u sprječavanju oštećenja i povećanju sigurnosti spojeva. Odabir odgovarajuće veličine značajno utječe na stabilnost.
Spojne šipke mogućuju jednostavno sastavljanje konstrukcija bez potrebe za složenim alatima. To ih čini idealnim izborom za početnike koji žele sami realizirati svoje ideje. Njihova primjena olakšava proces izrade i smanjuje vrijeme potrebno za montažu. Podloženi elementi pružaju dodatnu sigurnost u spojevima, posebno kod materijala koji su osjetljivi na pritisak. Njegova prisutnost može značajno produžiti vijek trajanja konstrukcije i smanjiti potrebu za održavanjem.
Kreativne ideje i šta sa njima?
Kao osnova za izradu modernih komada namještaja, poput industrijskih stolova ili otvorenih polica vam mogu poslužiti navojne šipke.Njihova kombinacija s drvom ili metalom daje zanimljiv vizualni efekt i omogućuje funkcionalna rješenja u prostoru. Upravo takvi projekti postaju sve popularniji među ljubiteljima DIY pristupa. Din 125 se u ovakvim projektima koristi kako bi se osigurala stabilnost i zaštita materijala. Njegova jednostavna primjena čini ga neizostavnim dijelom svake konstrukcije. Bez obzira na veličinu projekta, njegova uloga ostaje jednako važna.
Za izradu visećih sustava za rasvjetu ili dekorativnih elemenata, koristimo navojne šipke. Njihova fleksibilnost omogućuje prilagodbu različitim idejama i stilovima uređenja. Upravo zbog toga postaju sve češći izbor u modernim interijerima. Podloška 125 omogućuje ravnomjerno pritezanje i smanjuje rizik od oštećenja, što je posebno važno kod osjetljivih materijala poput drva. Njegova primjena doprinosi dugotrajnosti i estetici završnog proizvoda.
Na kraju, pravilna kombinacija ovih elemenata može značajno unaprijediti kvalitetu svakog projekta. Bilo da se radi o jednostavnom kućnom zahvatu ili složenijoj konstrukciji, razumijevanje njihove funkcije ključno je za uspjeh. Upravo zato rješenja koja nudi ova tvrtka predstavljaju pouzdanu osnovu za realizaciju različitih ideja i projekata.
Planiranje i dugoročna održivost
Kod svakog projekta važno je razmišljati unaprijed i uzeti u obzir kako će se konstrukcija ponašati tijekom vremena. Osim same montaže, veliku ulogu ima i pravilno planiranje rasporeda opterećenja, kao i izbor odgovarajućih materijala koji mogu izdržati dugotrajnu upotrebu. Stabilnost nije samo rezultat kvalitetnih elemenata, već i promišljenog pristupa izradi.
Uz pouzdana rješenja koja pružju Vijci.net, realizacija kvalitetnih i dugotrajnih konstrukcija postaje jednostavnija i učinkovitija.



